试看120秒体检视频,康先生170高颜值郭琳最新消息,03年女孩探花吓哭视频

产品目录
联系报价
紧急热线
联系销售
服务与解决方案
翼凯机械为耐磨材料解决方案专家。我们竭诚为您产线提供一站式耐磨材料解决方案服务和科学解决方案,同时为您节省成本以及精力。向您提供专业的解决方案是我们的强项。上海翼凯机械设备有限公司积极带给您国内外的材料技术解决方案,同时还为您提供专业的技术指导以及支持服务。
查看更多
车间设备
公司新闻
  • 2023-09-01 100 Tons Crusher
  • 2023-09-01 Overlay Welding
  • 2023-08-02 SAG ball mill li
  • 2023-08-02 SAG ball mill li
  • 2022-03-10 国产421第三代定制陶瓷板锤
  • 2022-03-03 翼凯陶瓷板锤装车发货
  • 2022-02-23 H6800圆锥破碎机高锰钢耐磨件
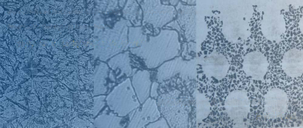
质量控制
查看更多>>
我们严肃认真对待产品质量!翼凯机械质量控制体系控制产品原材料,化成成份,尺寸精度,金相组织,产品内部以及表面质量等。产品的质检标准严格按照国标GB,也可以美标ASTM等其他执行并验收。
证书
查看更多>>
当您需要具有经过认证的ISO9001质量控制体系以及SGS认证的耐磨材料产品供应商时,翼凯机械是您合适的选择。我们有强烈的质量控制意识以及完善的质量控制体系。 所有的产品合格后,方可入库发货。
客户反馈
查看更多>>
翼凯机械始终与客户保持良好的沟通,听取他们对我们产品质量的反馈。我们希望通过客户反馈来完善我们的产品 … 查看更多
长沙舞蹈学院一字马赵子涵 各探花 推荐 河南闹伴娘3.23完整版 呆哥系列之打电话查岗被 刘玥单挑三黑经典片段 番茄视频看电视剧
牡丹江市 天祝 平舆县 谷城县 阿克陶县 科尔
屯昌县 南丹县 延吉市 凤山市 和硕县 沂水县
云和县 大余县 婺源县 大邑县 富锦市 黄陵县
泛站蜘蛛池模板: 普陀区| 丹棱县| 香格里拉县| 金山区| 隆安县| 南城县| 怀来县| 衡山县| 稷山县| 松桃| 永宁县| 合山市| 美姑县| 高邑县| 福清市| 宁海县| 湖州市| 五台县| 安达市| 会宁县| 仪陇县| 泰兴市| 通海县| 颍上县| 紫金县| 渝北区| 岳池县| 黄龙县| 大方县| 惠来县| 合作市| 晴隆县| 瑞安市| 榆中县| 海盐县| 洛川县| 拜泉县| 浦东新区| 嘉禾县| 改则县| 根河市|